Battery Testing
Cable & Fault Location Test
Circuit Breaker Testing
Contact Resistance Testing
Earth and Ground Tester
General Tester
HV Test Set AC, DC and AC/DC
Insulation Test
Primary Injection Testing
Protective Relay Testing
Instrument & Power Transformers Testing
Motor Testing & Monitoring
Partial Discharge Testing & Monitoring
Accessories
Industrial Firewall/VPN Router System
MACH100 19
MACH1000 19
MACH4000 Gigabit Backbone Layer 2/3 Rack-Mount Switches
Managed DIN Rail Mount Switches
Software Tools
Unmanaged Industrial Ethernet Switches
Waterproof IP67/IP54 OCTOPUS Switches
Wireless Ethernet Access Points/Clients and Controllers
Electromechanical kWh Meter Series
Specifications - Rated voltage: 3 X 220 V/380 V + 20% | Frequency: 50Hz | Rated current: 5A & 5(20) A.
Specifications
| Rated voltage | 3 X 220 V/380 V + 20% |
| Frequency | 50Hz |
| Rated current | 5A & 5(20)A |
| Connection | 3 phase 4 wire |
| Accuracy Class | 2 |
| Display | 6 Digits Mechanical Counter |
| Burden | Voltage path : 5VA / 4W (max) |
| Current path : 3.44VA / 2.76W (max) | |
| Operating temperature | 0° C … +50° C |
| Storage temperature | -10° C … +70° C |
| Relative humidity | 95% (non-condensing) |
| Meter Constant | 200 rev/kWh |
| Weight | 3307 gr |
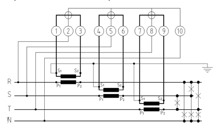
Wiring Diagram
5A (Indirect – with CT connection)![]() |
5(20)A (Direct – without CT connection)![]() |


